SF6充气阀
产品简介 本产品的目的在于提供一种便于对SF6电气设备中的SF6气体密度继电器进行自动校验或更换的装配接头,重要的是该装配接头的充气口、微水测试口、校验口和气体关断口是同一个口,不要额外设置充气接口、微水测试口,就可以在同一位置对SF6电气设备进行充气以及微水测试或关断SF6电气设备的SF6气路对密度继电器进行校验。产品特点产品特点: 1. 自封功能:当设备或连接件移除
- 详情
- 参数
- 评价
产品简介
本产品的目的在于提供一种便于对SF6电气设备中的SF6气体密度继电器进行自动校验或更换的装配接头,重要的是该装配接头的充气口、微水测试口、校验口和气体关断口是同一个口,不要额外设置充气接口、微水测试口,就可以在同一位置对SF6电气设备进行充气以及微水测试或关断SF6电气设备的SF6气路对密度继电器进行校验。
产品特点
产品特点:
1. 自封功能:当设备或连接件移除时,自动密封
2. 可反复使用
应用范围
SF6绝缘组合电器(GIS)/SF6绝缘断路器 F6绝缘柱上开关/SF6绝缘变压器
SF6绝缘互感器/SF6绝缘母线系统 SF6绝缘充气柜/SF6绝缘环网柜
技术参数
外观参数:
1. 原料:铝/铜合金/不锈钢
2. 公称直径:6、8、12 mm(中压设备) 20mm(高压设备)
3. 表面处理: 铝:氧化处理 铜合金/不锈钢:不作处理
主要技术参数:
环境温度:- 40℃~ + 80℃ 抗震性能:40g
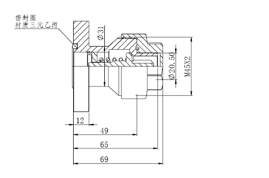
端口联接:外螺纹(附图) 安装力矩:40N.m
密封性能:10-9 Pa•m3/s 公称压力:PN64(6.4Mpa)
工作寿命:1×105 次 抗冲击性能:500g.11
可选功能:
接口尺寸: 可定制
公称直径: 可定制
接口尺寸螺纹尺寸可以定制,可根据客户实际要求定制;
设备成套性



